UPR Tube End 5/8-18 RH (1.00x.095) Steel
Regular price
$9.99 USD
Unit price
/
Unavailable
By UPR
SKU: UPR-8700-009
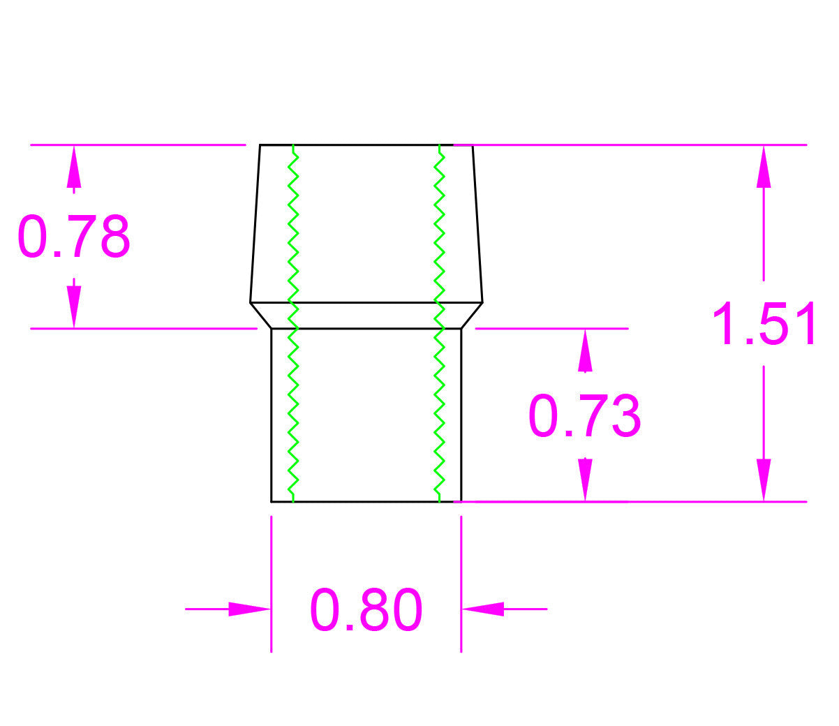
UPR CNC Machined Steel Tube Ends are the same ones used in our Pro Series and Extreme Series suspension components. Tube end is machined to work with 1" OD x .095" wall tubing and accepts a 5/8-18 Right Hand Heim Joints. Tapered edge where tubing butts up to fitting creating a groove allowing for a solid welding area. .73" long shoulder for a positive fit into the tubing and allows the tubing to be drilled for rosette welds.
Requires welding.
Product Features:
» 5/8-18 Right Hand Female Thread
» Fits 1" OD x .095" Wall Tubing
» CNC Machined (Not Cast) 1018 Mild Steel
» Tapered Edge creating a groove for a strong weld
» Tapered Edge creating a groove for a strong weld
» Discount for Quantities 5 or More
Fits:
Universal fitting can be used for multiple applications and or projects.
Made in the USA!
UPR Tube End 5/8-18 RH (1.00x.095) Steel





